Prefinished White Oak Reserve 2 in. Wide x 6.5 ft. Length Threshold
This is a closeout item! That means we're offering at reduced price, and is sold AS IS. No warranties, no returns, all sales are final, so we encourage you to review all product details and imagery prior to purchase.
-
Box Weight1.885 lb.
-
BrandBellawood
-
Castor ChairsNull
-
ColorBlonde
-
Color VariationLight
-
Direct PrintNo
-
Gloss Level10
-
Layout StyleSubtle
-
Merch Category DescriptionPre-Fin Domestic Moldings
-
Merch Class DescriptionMoldings
-
Merch Family DescriptionNon-Flooring
-
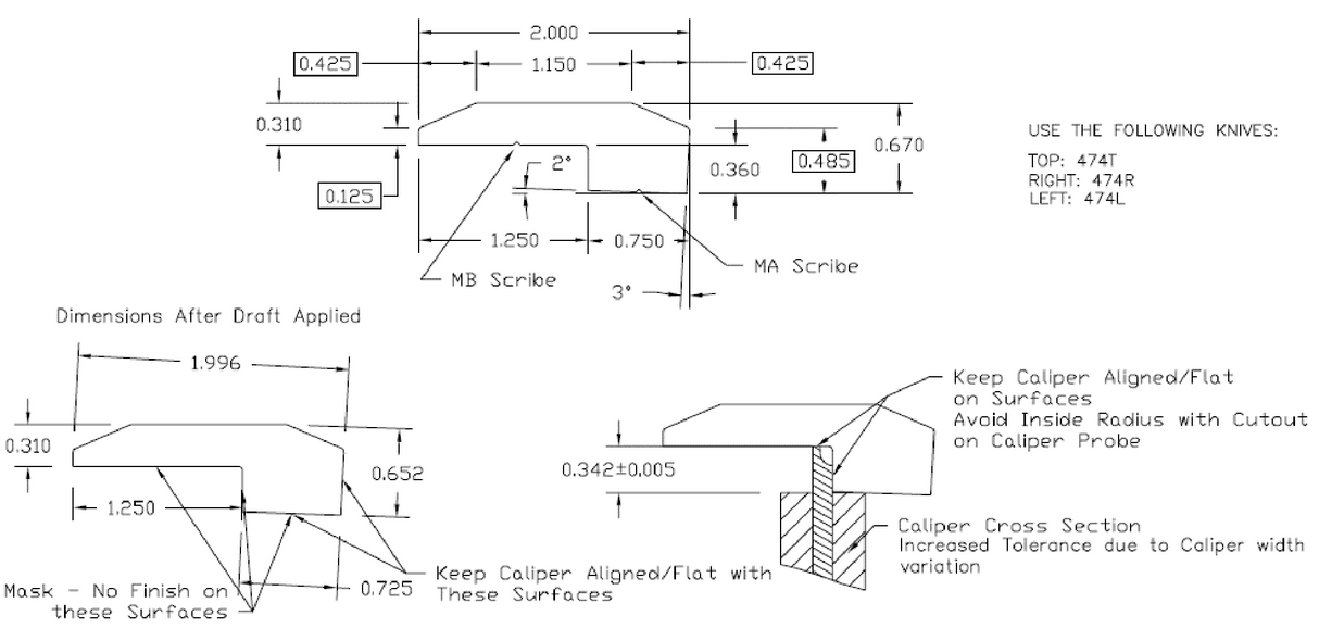
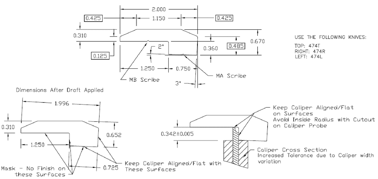
Overall Thickness Actual.67 in.
-
Oversized Override Ltl OnlyNo
-
PatternNo Pattern
-
Plank Length Average78 in.
-
Plank Length Maximum78 in.
-
Plank Length Minimum78 in.
-
Restrict ShippingNo
-
SpeciesWhite Oak
-
Species Industry NameWhite Oak
-
StyleWhite Oak Reserve
-
TextureWire Brushed
-
Thickness.67 in.
-
Trim TypeThreshold
-
WarrantyNo Warranty - Sold As-Is
-
Warranty Heavy CommercialNo Warranty - Sold As-Is
-
Warranty Light CommercialNo Warranty - Sold As-Is
-
Width2 in.
No Warranty - Sold As-Is
Light Commercial Warranty: No Warranty - Sold As-Is
Heavy Commercial Warranty: No Warranty - Sold As-Is

