Builders Pride
| SKU:
LLPRESTH
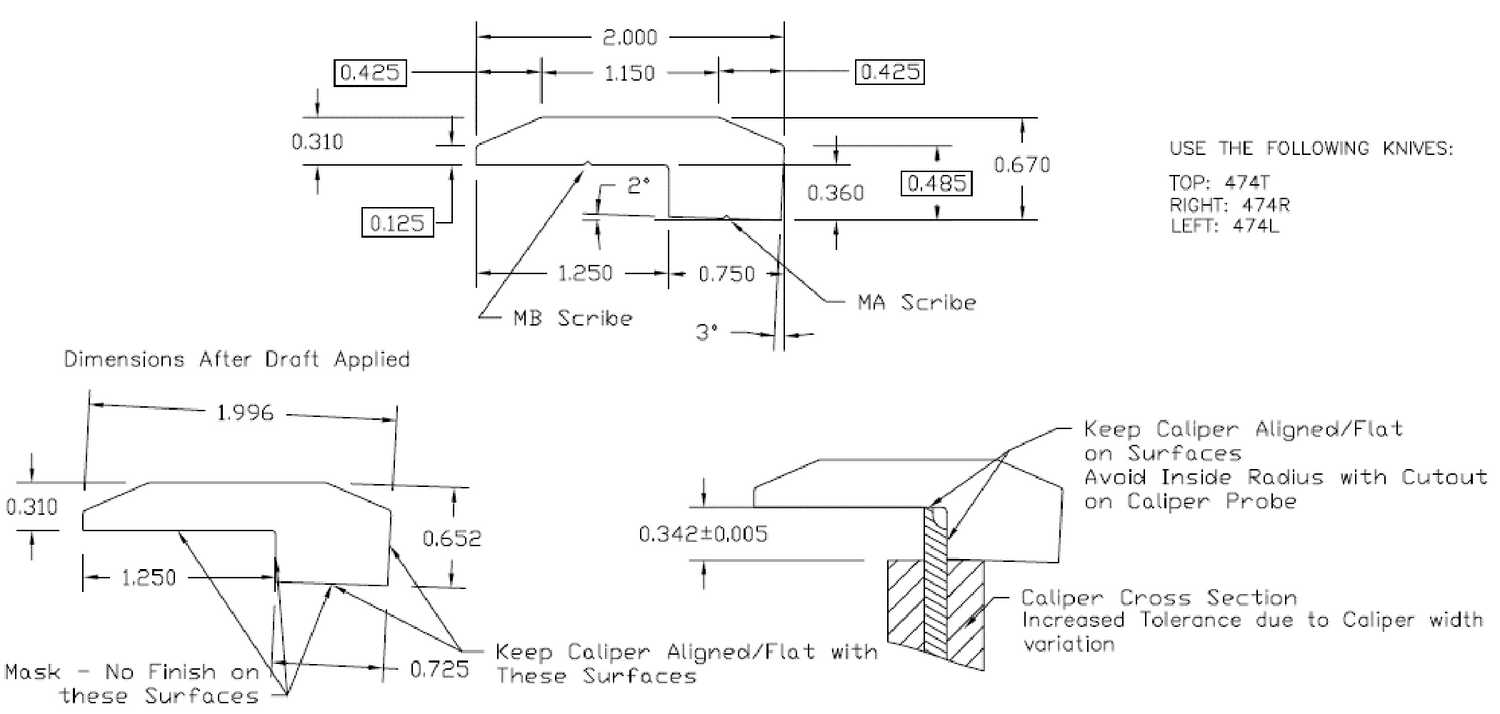
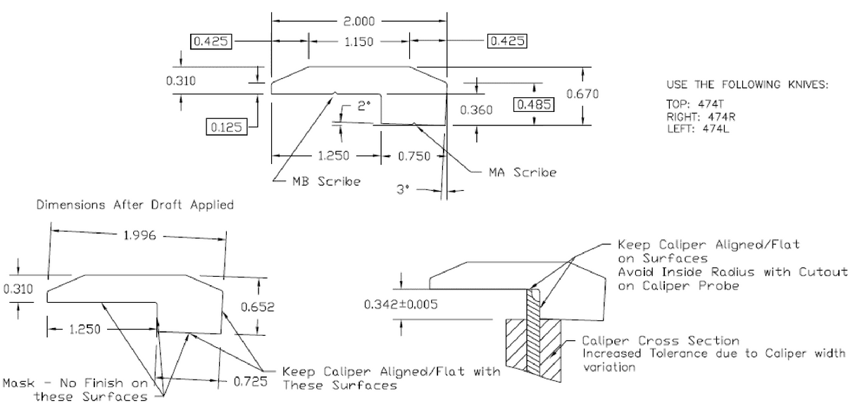
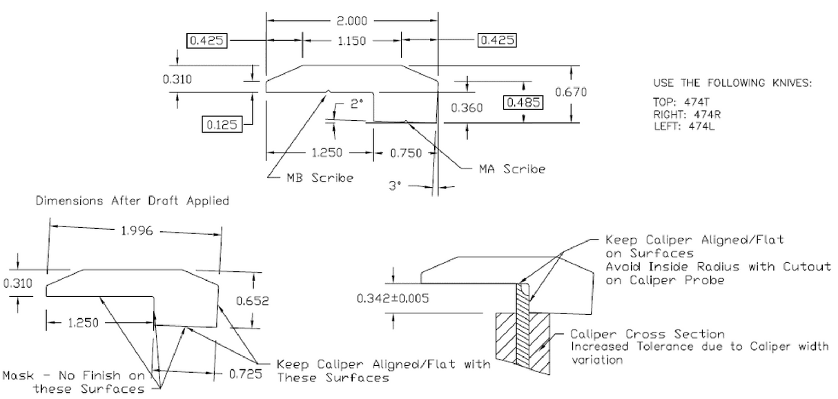
Prefinished Espresso Oak 2 in. Wide x 6.5 ft. Length Threshold
$6.49
/LFT
$42.19
/each
Unit price
/
Unavailable
Ideal for doorway applications and for transitioning between floors of different heights. Used with hardwood flooring, tile, or carpet surfaces.
-
Box Weight1.859 lb.
-
BrandBuilders Pride
-
Castor ChairsNull
-
ColorBrown
-
FinishStained Finish
-
Gloss Level50
-
Layout StyleUniform
-
Merch Category DescriptionPre-Fin Domestic Moldings
-
Merch Class DescriptionMoldings
-
Merch Family DescriptionNon-Flooring
-
Moisture Limits Insiturh55%
-
Overall Thickness Actual.652 in.
-
Oversized Override Ltl OnlyNo
-
PatternNo Pattern
-
Plank Length Average78 in.
-
Plank Length Maximum78 in.
-
Plank Length Minimum78 in.
-
Restrict ShippingNo
-
SpeciesRed Oak
-
Species Industry NameRed Oak
-
StyleEspresso Oak
-
Thickness.652 in.
-
Trim TypeThreshold
-
WarrantyNo Warranty
-
Warranty Heavy CommercialNo Warranty
-
Warranty Light CommercialNo Warranty
-
Wood Or StoneWood Look
No Warranty
Light Commercial Warranty: No Warranty
Heavy Commercial Warranty: No Warranty


