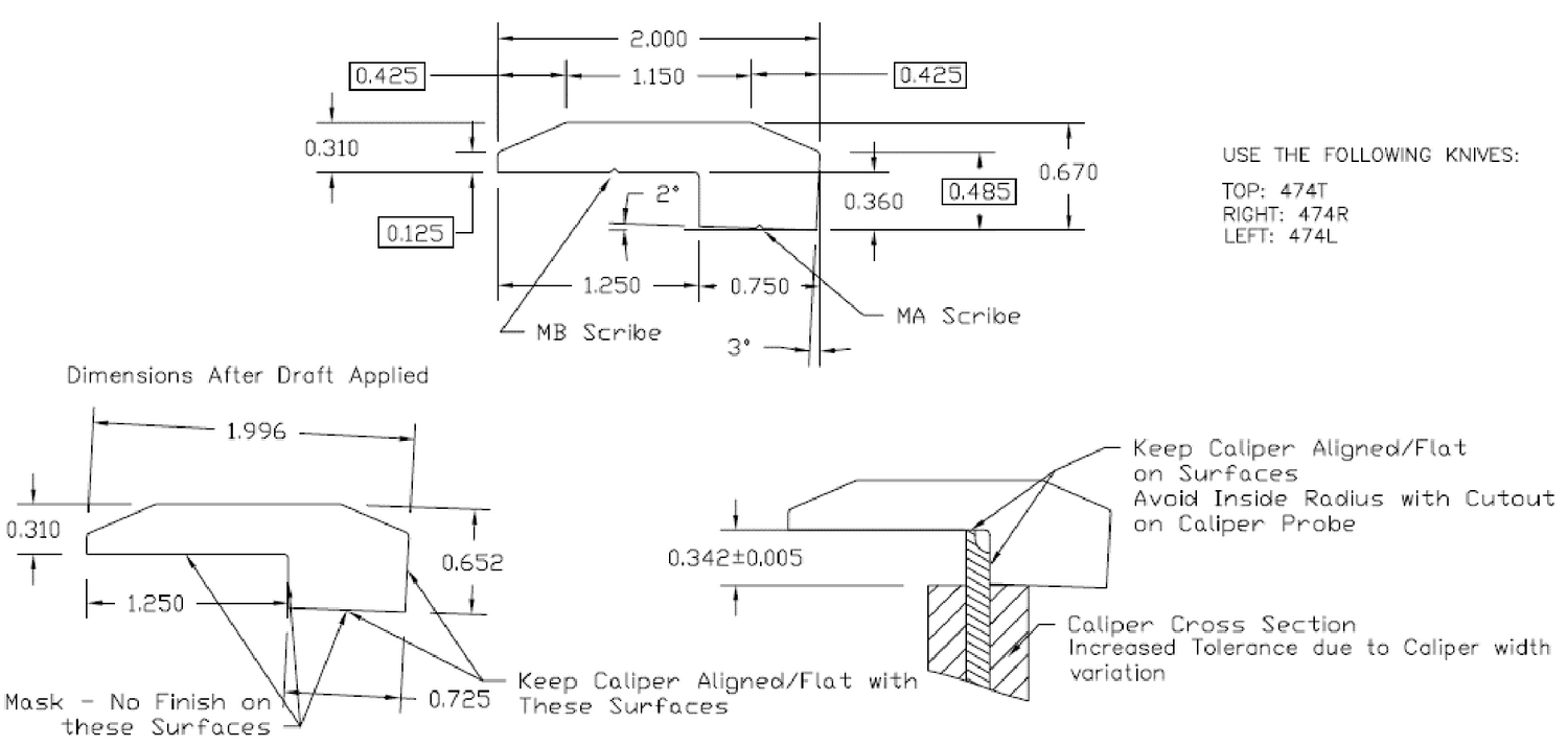
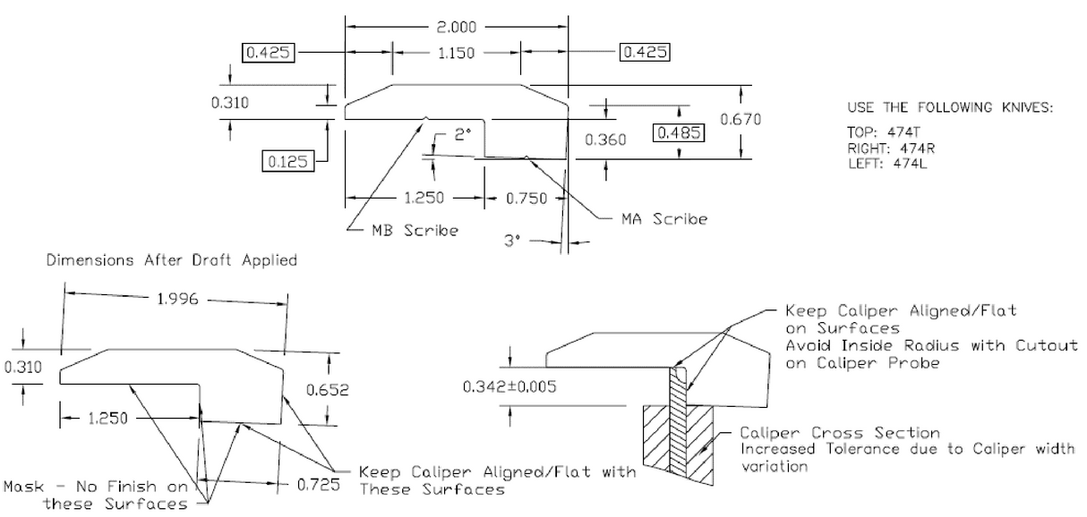
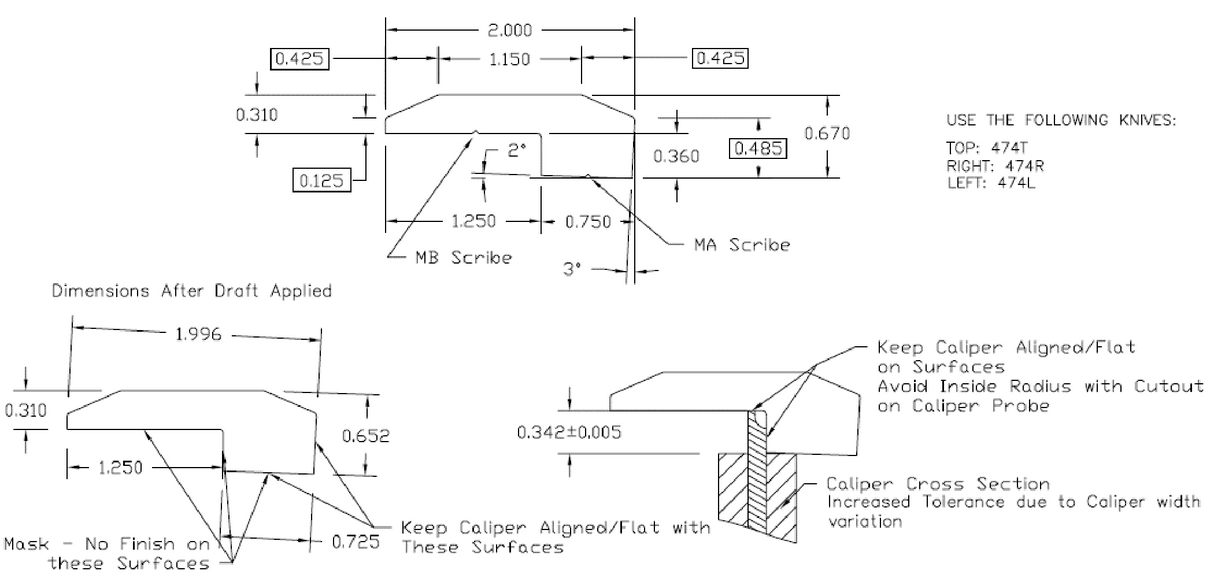
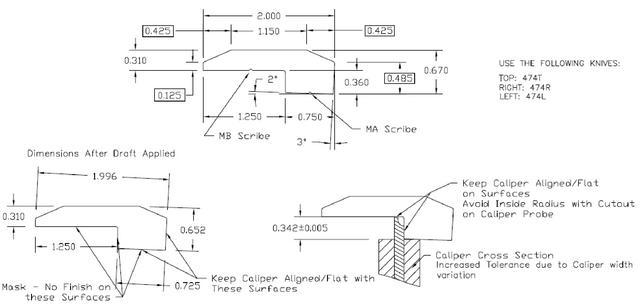
Prefinished Sanibel Island White Oak 2 in. Wide x 6.5 ft. Length Threshold
This is a closeout item! That means we're offering at reduced price, and is sold AS IS. No warranties, no returns, all sales are final, so we encourage you to review all product details and imagery prior to purchase.
-
Box Weight4.03 lb.
-
BrandBellawood Artisan
-
ColorWhite
-
Color VariationLight
-
Direct PrintNo
-
Gloss Level8
-
Layout StyleDistinct
-
Merch Category DescriptionPre-Fin Domestic Moldings
-
Merch Class DescriptionMoldings
-
Merch Family DescriptionNon-Flooring
-
Overall Thickness Actual.625 in.
-
Oversized Override Ltl OnlyNo
-
Plank Length Average78 in.
-
Plank Length Maximum78 in.
-
Plank Length Minimum78 in.
-
Restrict ShippingNo
-
SpeciesWhite Oak
-
Species Industry NameWhite Oak
-
StyleSanibel Island White Oak
-
TextureWire Brushed
-
Thickness.625 in.
-
Trim TypeThreshold
-
WarrantyNo Warranty - Sold As-Is
-
Warranty Heavy CommercialNo Warranty - Sold As-Is
-
Warranty Light CommercialNo Warranty - Sold As-Is
-
Width2 in.
-
Wood Or StoneWood Look
No Warranty - Sold As-Is
Light Commercial Warranty: No Warranty - Sold As-Is
Heavy Commercial Warranty: No Warranty - Sold As-Is

